返回>>
KDYW-88K-200D成孔质量检测仪换能器
名称:成孔质量检测仪换能器
型号:KDYW-88K-200D
电容量:pF±20% @1KHz
工作温度:-40~+80℃
频率:中心频率:90KHz±5% 带宽(-3dB):±20%
工作电压:峰值电压<2250Vpp
适用于:成孔质量检测仪换能器、测树换能器
全国热线
0591-28082552
产品详情
一、换能器的主要技术指标
项目 | 技术指标 | 实物图片 |
名称 | 88KHz普通型换能器 |
|
型号 | KDYW-88K-200D | |
频率 | 中心频率:90KHz±5% 带宽(-3dB):±20% | |
最小阻抗 | Ω±20% | |
电容量 | pF±20% @1KHz | |
灵敏度 | 空载驱动电压:500Vpp,距离0.6m, 回波幅度2V | |
工作电压 | 峰值电压<2250Vpp | |
工作温度 | -40~+80℃ | |
压力 | ≤10公斤或者1MPa | |
角度 | (波束宽度)半功率角@-3dB:24.3°±10%;锐度角:59.2°±10%; | |
外壳材质 | ABS+PI | |
用途 | 测树换能器等 | |
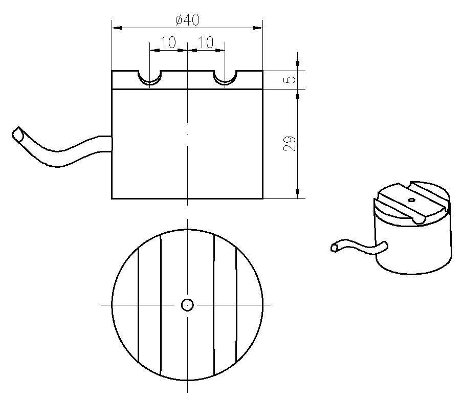
安装尺寸 | 详见产品结构图 | |
防护等级 | IP68 | |
重量 | g±5%(线长:30cm) | |
接线说明 | 红:换能器+,黑:换能器-,黄:屏蔽线,(不带温度传感器) | |
二、换能器产品结构图

上一条
KDYW-88K-200BC成孔质量检测仪换能器
下一条
KDYW-88K-200G成孔质量检测仪换能器
产品中心
联系我们
全国咨询热线:0591-28082552
QQ:2187169532
手机:18050180580
邮箱:2187169532@qq.com
地址:福建省福州市晋安区福兴经济开发区红光路11号E座







