返回>>
DYA-70-03A新风系统送风系统换能器
名称:新风系统送风系统换能器
型号:DYA-70-03A
量程:0.3~3m
工作温度:-40~+80℃
频率:70KHz±5%
工作电压:峰值电压<1500Vpp
本产品适用于:超声波液位计,监控,防撞,安防
全国热线
0591-28082552
产品详情
一、换能器的主要技术指标
项目 | 技术指标 | 实物图片 |
名称 | 70KHz普通型换能器A型 |
|
型号 | DYA-70-03A | |
频率 | 70KHz±5% | |
建议量程 | 0.3~3m | |
最小阻抗 | 300Ω±20% | |
电容量 | 1400pF±20% @1KHz | |
灵敏度 | 带载驱动电压:500Vpp,距离0.6m, 回波幅度180mV | |
工作电压 | 峰值电压<1500Vpp | |
工作温度 | -40~+80℃ | |
压力 | ≤3公斤或者0.3MPa | |
角度 | (波束宽度)半功率角@-3dB:11.4°±10%, 锐度角:26.8°±10% | |
外壳材质 | POM | |
用途 | 超声波液位计,监控,防撞,安防 | |
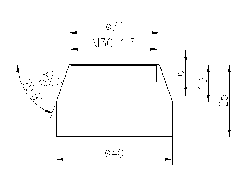
安装尺寸 | 吊装螺纹:M30*1.5 | |
防护等级 | IP68 | |
重量 | 70g±5%(线长:20cm) | |
接线说明 | 一体式接口:红:换能器+,白:换能器-,黑:屏蔽线,(默认不带温度传感器) | |
二、换能器的导纳曲线图

三、换能器产品结构图

上一条
暂无~
下一条
暂无~
产品中心
联系我们
全国咨询热线:0591-28082552
QQ:2187169532
手机:18050180580
邮箱:2187169532@qq.com
地址:福建省福州市晋安区福兴经济开发区红光路11号E座







